ULN2803C 器件是一款 50V、500mA 達林頓晶體管陣列。該器件由八個 NPN 達林頓對組成,這些達林頓對具有高壓輸出,帶有用于開關電感負載的共陰極鉗位二極管。每個達林頓對的集電極電流額定值為 500mA。將達林頓對并聯可以提供更高的電流。
應用包括繼電器驅動器、電錘驅動器、燈驅動器、顯示驅動器(LED 和氣體放電)、線路驅動器和邏輯緩沖器。ULN2803C 器件的每個達林頓對都具有一個 2.7kΩ 的串聯基極電阻,可直接與 TTL 或 5V CMOS 器件配合使用。

ULN2803C特性
500mA 額定集電極電流 (單輸出)
高電壓輸出:50V
鉗位二極管輸出
可兼容各類邏輯的輸入
ULN2803C應用
工廠自動化和控制
樓宇自動化
電器
IP 網絡攝像頭
HVAC 閥門和執行器控制
繼電器、螺線管和燈驅動
步進電機驅動
參數

引腳

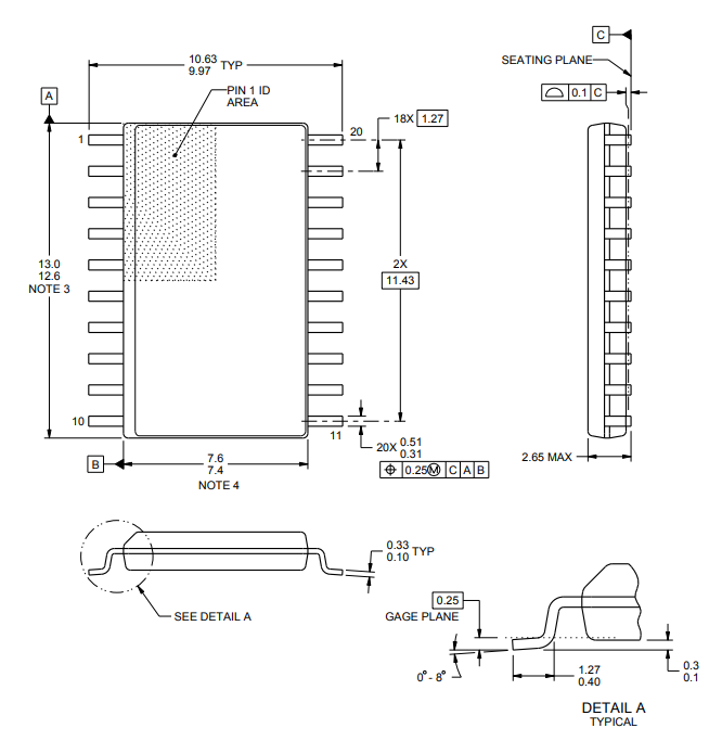
封裝

布局圖

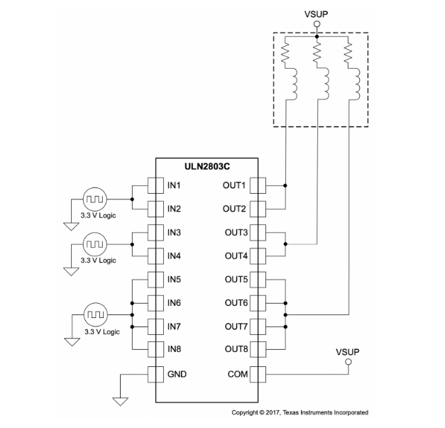
ULN2803C作為電感負載驅動器

詢價列表 ( 件產品)
哦! 它是空的。